Магазин запчастей для бытовой техники - Arlos
Москва
close
Выберите ваш регион
АбаканАлександровАльметьевскАнгарскАрзамасАрмавирАртемАрхангельскАстраханьАчинскБалаковоБалашихаБеларусьБелгородБердскБерезникиБийскБлаговещенскБратскБрянскВеликий НовгородВидноеВладивостокВладикавказВладимирВолгоградВолгодонскВолжскийВологдаВолховВоркутаВоронежВоскресенскВыборгГатчинаГеленджикГрозныйДедовскДербентДзержинскДзержинскийДимитровградДмитровДолгопрудныйДомодедовоДонецкЕвпаторияЕгорьевскЕкатеринбургЕлецЕссентукиЖелезногорскЖелезнодорожныйЖуковскийЗеленоградЗлатоустИвановоИвантеевкаИжевскИркутскИстраЙошкар-ОлаКазаньКалининградКалугаКаменск-УральскийКамышинКаспийскКемеровоКерчьКировКисловодскКлинКовровКоломнаКомсомольск-на-АмуреКопейскКоролёвКостромаКотельникиКрасногорскКраснодарКраснознаменскКрасноярскКурганКурскКызылЛенинск-КузнецкийЛипецкЛобняЛыткариноЛюберцыМагнитогорскМайкопМалаховкаМахачкалаМиассМоскваМурманскМуромМытищиНабережные ЧелныНазраньНальчикНаро-ФоминскНахабиноНаходкаНевинномысскНефтекамскНефтеюганскНижневартовскНижнекамскНижний НовгородНижний ТагилНовокузнецкНовокуйбышевскНовомосковскНовороссийскНовосибирскНовоуральскНовочебоксарскНовочеркасскНовошахтинскНовый УренгойНогинскНорильскНоябрьскОбнинскОдинцовоОктябрьскийОмскОрелОренбургОрехово-ЗуевоОрскПавловский ПосадПензаПервоуральскПермьПетрозаводскПетропавловск-КамчатскийПодольскПрокопьевскПсковПушкиноПятигорскРаменскоеРеутовРостов-на-ДонуРубцовскРыбинскРязаньСакиСалаватСамараСанкт-ПетербургСаранскСаратовСевастопольСеверодвинскСеверскСергиев ПосадСерпуховСимферопольСмоленскСосновый БорСочиСтавропольСтарый ОсколСтерлитамакСтупиноСургутСызраньСыктывкарТаганрогТамбовТверьТихвинТольяттиТомилиноТомскТроицкТулаТюменьУлан-УдэУльяновскУссурийскУсть-ИлимскУфаУхтаФеодосияФрязиноХабаровскХанты-МансийскХасавюртХимкиЧебоксарыЧелябинскЧереповецЧеркесскЧеховЧитаШахтыЩелковоЭлектростальЭлистаЭнгельсЮжно-СахалинскЯкутскЯлтаЯрославль
  • - бесплатно по РФ
    Автоперезвон. Работает по принципу: Вы позвонили на номер, мы сбрасываем звонок и перезваниваем через 3 секунды.
  • - по Москве
  • 8 (925) 663-83-63

Call-центр

пн-вс: 10:00-19:00

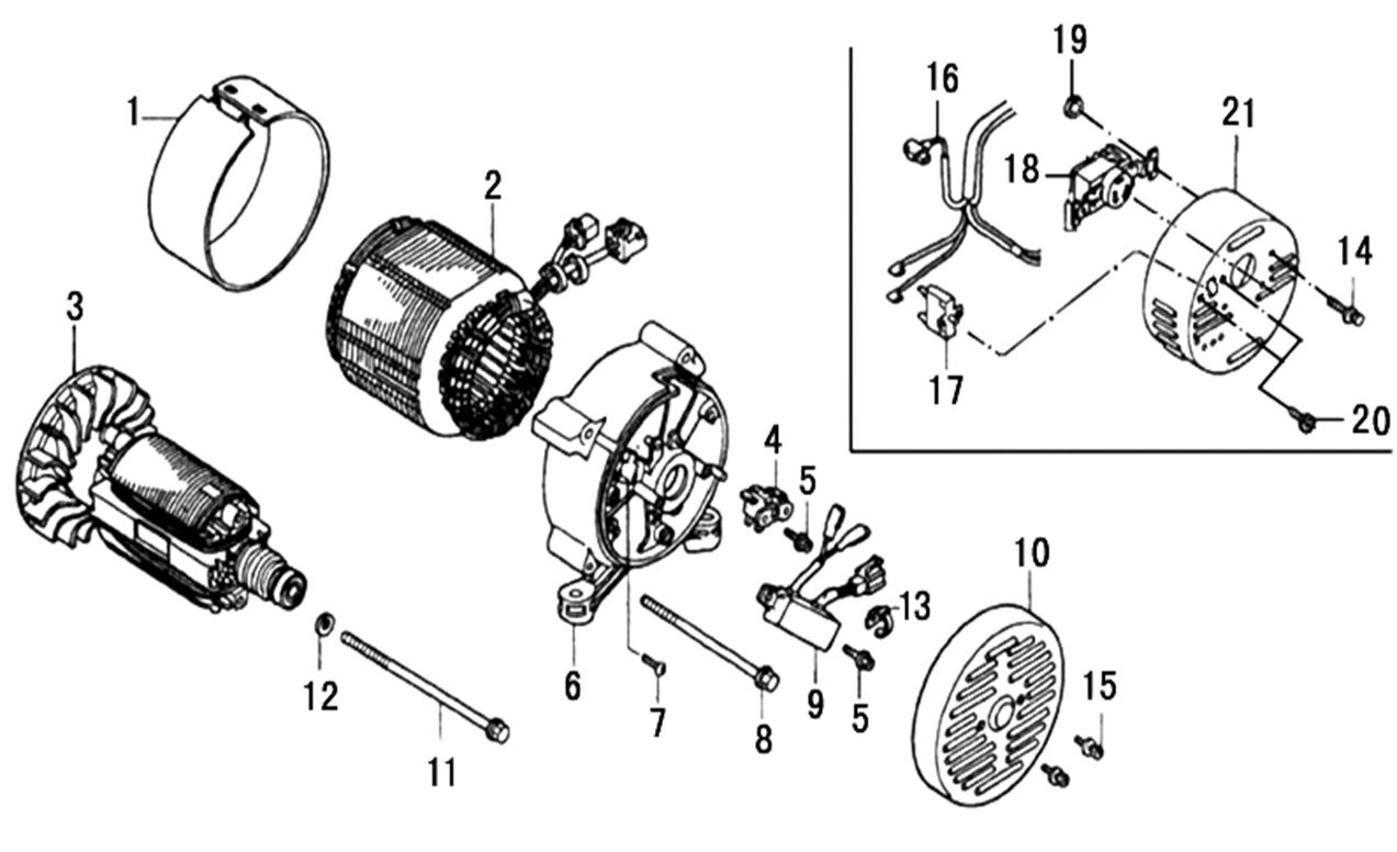
ЗАПЧАСТИ ДЛЯ ГЕНЕРАТОРА БЕНЗИНОВОГО ELITECH БЭС 3000 (АЛЬТЕРНАТОР)

NАртикулНазваниеСрок отгрузкиЦенаКупить
1 0101.039900 Оболочка статора защитная
2 0101.040200 Статор
3 0101.040500 Ротор
4 0101.040600 Узел щёточный альтернатора E30124-198000 БЭС 1800 - 3000(см.0104.069800,0104.107090) 199 р.
5 0101.040700 Болт фланцевый M5х14 мм
6 0101.040800 Корпус ротора/статора БЭС 1800 - 3000 1.823 р.
7 0101.040900 Болт фланцевый M5х12 мм
8 0101.041200 Болт фланцевый M6х150 мм
9 0101.041500 Автоматический регулятор напряжения (AVR) 0,8-3,5кВт
11 0101.041900 Болт с головкой шестигранной M8х203 мм
12 0101.042000 Шайба плоская
13 0101.042100 Хомут
14 0101.042200 Болт фланцевый M5х50 мм
16 0101.042400 Жгут проводов
17 0101.042500 Автомат выключения
18 0101.042600 Разъем (мама)
19 0101.042700 Гайка фланцевая M4
20 0101.042800 Болт фланцевый M4х10 мм
21 0101.042900 Рама передняя
24 0101.999100 Альтернатор в сборе
24 0101.144200 Альтернатор в сборе, 220В, 2.5кВт. Статор D160,L110. БЭС 3000Р.РМ 21.472 р.
Найдено товаров: 21
1
▲ Наверх
0
8 (925) 663-83-63

Call-центр

пн-вс: 10:00-19:00

НАЙТИ ПО МОДЕЛИ
Введите номер заказа
Введите номер своего заказа, что бы узнать его текущий статус.
Что бы получить доступ к расширенным функциям, пройдите не сложную регистрацию. Зарегистрироваться