Магазин запчастей для бытовой техники - Arlos
Москва
close
Выберите ваш регион
АбаканАлександровАльметьевскАнгарскАрзамасАрмавирАртемАрхангельскАстраханьАчинскБалаковоБалашихаБеларусьБелгородБердскБерезникиБийскБлаговещенскБратскБрянскВеликий НовгородВидноеВладивостокВладикавказВладимирВолгоградВолгодонскВолжскийВологдаВолховВоркутаВоронежВоскресенскВыборгГатчинаГеленджикГрозныйДедовскДербентДзержинскДзержинскийДимитровградДмитровДолгопрудныйДомодедовоДонецкЕвпаторияЕгорьевскЕкатеринбургЕлецЕссентукиЖелезногорскЖелезнодорожныйЖуковскийЗеленоградЗлатоустИвановоИвантеевкаИжевскИркутскИстраЙошкар-ОлаКазаньКалининградКалугаКаменск-УральскийКамышинКаспийскКемеровоКерчьКировКисловодскКлинКовровКоломнаКомсомольск-на-АмуреКопейскКоролёвКостромаКотельникиКрасногорскКраснодарКраснознаменскКрасноярскКурганКурскКызылЛенинск-КузнецкийЛипецкЛобняЛыткариноЛюберцыМагнитогорскМайкопМалаховкаМахачкалаМиассМоскваМурманскМуромМытищиНабережные ЧелныНазраньНальчикНаро-ФоминскНахабиноНаходкаНевинномысскНефтекамскНефтеюганскНижневартовскНижнекамскНижний НовгородНижний ТагилНовокузнецкНовокуйбышевскНовомосковскНовороссийскНовосибирскНовоуральскНовочебоксарскНовочеркасскНовошахтинскНовый УренгойНогинскНорильскНоябрьскОбнинскОдинцовоОктябрьскийОмскОрелОренбургОрехово-ЗуевоОрскПавловский ПосадПензаПервоуральскПермьПетрозаводскПетропавловск-КамчатскийПодольскПрокопьевскПсковПушкиноПятигорскРаменскоеРеутовРостов-на-ДонуРубцовскРыбинскРязаньСакиСалаватСамараСанкт-ПетербургСаранскСаратовСевастопольСеверодвинскСеверскСергиев ПосадСерпуховСимферопольСмоленскСосновый БорСочиСтавропольСтарый ОсколСтерлитамакСтупиноСургутСызраньСыктывкарТаганрогТамбовТверьТихвинТольяттиТомилиноТомскТроицкТулаТюменьУлан-УдэУльяновскУссурийскУсть-ИлимскУфаУхтаФеодосияФрязиноХабаровскХанты-МансийскХасавюртХимкиЧебоксарыЧелябинскЧереповецЧеркесскЧеховЧитаШахтыЩелковоЭлектростальЭлистаЭнгельсЮжно-СахалинскЯкутскЯлтаЯрославль
  • - бесплатно по РФ
    Автоперезвон. Работает по принципу: Вы позвонили на номер, мы сбрасываем звонок и перезваниваем через 3 секунды.
  • - по Москве
  • 8 (925) 663-83-63

Call-центр

пн-вс: 10:00-19:00

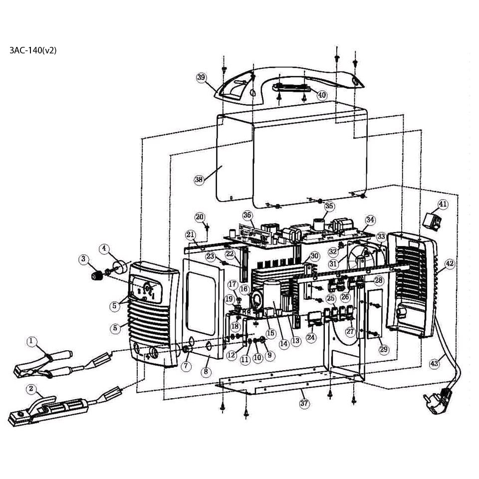
Сварочный инвертор, ММА ЗАС-140

Данная модель имеет несколько схем

NАртикулНазваниеСрок отгрузкиЦенаКупить
1 U541-140-001 Кабель сварочный с держателем электрода 1.159 р.
2 U541-140-002 Кабель заземления с зажимом 1.159 р.
4 U541-140-004 Рукоятка пластиковая с потенциометром RV28P B102-20/3
5 U541-190-005 Индикатор светодиодный ″зеленый″
6 U541-140-006 Панель передняя
7 U541-140-007 Розетка сварочного кабеля
8 U541-140-008 Рама передней панели
13 U541-140-013 Плата силовая (DC-MMA-B4) 11.634 р.
20 UM01-000-012 Винт M4x10 92 р.
21 U541-140-021 Уголок
22 U541-140-022 Стойка
23 UM03-000-038 Болт M5X23
27 UM01-000-021 Винт M4x16 PH2 #F 92 р.
28 U541-190-042 Пластина стальная прижима
30 U541-140-030 Радиатор левая часть
31 U541-140-031 Вентилятор YM2412PMB1 24VDC 0.31A 2.905 р.
32 U541-190-049 Втулка динстанционная пластиковая
33 UM01-000-035 Винт M5x16 PH2 92 р.
34 U541-140-034 Плата управления DC-SB-02 9.694 р.
37 U541-140-037 Основание
38 U541-140-038 Корпус
39 U541-140-039 Ручка
40 U541-190-020 Вставка резиновая
41 U541-190-004 Выключатель JIN DING JD03-A1 16A ~250V T85/55 1E4 1.046 р.
42 U541-140-042 Панель задняя
43 U099-004-017 Шнур сетевой Rubber 3x1.5mm2 2m 383 р.
44 UM05-000-005 Гайка M5 92 р.
45 UM04-000-002 Шайба D4 92 р.
46 UM01-000-004 Винт M3x5 PH1 (потай) #F 92 р.
47 UM01-000-071 Винт M4x18 PH2 #F 92 р.
48 U541-140-044 Радиатор правая часть
49 UM02-000-139 Саморез 5х15PH2
50 UM04-000-003 Шайба D5 #F 92 р.
51 UM02-000-012 Саморез 3x18 PH1 92 р.
52 UM04-001-003 Шайба-гровер D5 92 р.
53 U541-190-030 Индикатор светодиодный ″красный″
54 U541-140-058 Изоляторы силовых элементов
55 UM04-000-001 Шайба D3 92 р.
56 UM01-000-009 Винт M4x8 РН2 (потай) #F 92 р.
57 U541-140-048 Пластина текстолитовая
58 UM04-001-002 Шайба-гровер D4 92 р.
Найдено товаров: 41
1
▲ Наверх
0
8 (925) 663-83-63

Call-центр

пн-вс: 10:00-19:00

НАЙТИ ПО МОДЕЛИ
Введите номер заказа
Введите номер своего заказа, что бы узнать его текущий статус.
Что бы получить доступ к расширенным функциям, пройдите не сложную регистрацию. Зарегистрироваться